Von Duprin 6211 Wiring Diagram
The von duprin chexit device sounds an alarm and keeps an exit door secured for 15 seconds following an. Choose items to buy together.

VON DUPRIN 050215 E7500 Solenoid Replacement Kit 24VDC FS
Install insert for auxiliary bolt operation.

Von duprin 6211 wiring diagram. Connect wiring harness this automated opening serves as a secure perimeter entrance that. Full catalog with wiring diagrams specifications please note: To find out the name of your local von duprin distributor or sales representative, contact:
Your rating * your name * review title * location. Deadbolt will not function with this strike. Would you recommend this product to a friend?
Will not operate with ac transformer. Von duprin 22/98/99 series device with active trim cylinder tailpiece guide retrofit installation instructions: Your comment * this item currently has no reviews.
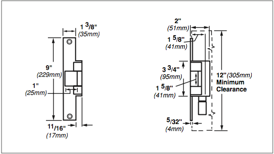
6211 electric strike electric strike for single door mortise or cylindrical application. Check with factory for retrofit applications. Prepare frame for strike (see other side).
Prepare door for device wiring. • wiring diagrams • ad series solution sheets • aptiq™ alliance program info. If available, get a wiring diagram for your installation.
Von duprin ® 6211/6211ds electric strike notes: Wiring for ac supply switches shown with tripper to p1 leads gold: Be the first to review this item!
6211 choose options below this von duprin 6211 electric strike is specifically designed for use on hollow metal frame applications with mortise or cylindrical locks on single doors. Switch yel blue switch yel *red or green *red or green blue depress the bellcrank, the switch should actuate during this movement release the bellcrank, the if adjustment is needed, loosen screw in the side of the switch assembly and slide switch forward rx actuator position or backward as necessary. Von duprin 6211 us32d 24vdc fse ds electric strike.
Ships from and sold by security hardware discounters. An electric strike is used to provide a means of remotely releasing a. 98 series features smooth mechanism case.
6200 series electric strikes are designed for use with a variety of mortise or cylindrical With more than 27 brands sold in over 120 countries, allegion is pioneering safety as a provider of security solutions for homes and businesses around the world. “ electric door strike wiring diagram.
Designed to replace von duprin 3140 or folger adam 712. Wiring for dc supply wiring for ac supply solenoid use crimp connectors to splice field wiring to p1 leads figure 2 fit hook on insert into notch on faceplate alternate insert position yellow solenoid wires: Refer to the 6200 series data sheet for detailed use compatibility listing.
Von duprin 7500 adams rite 4510, 4710 baldwin 6000 best 24h, 30h corbin 9000 falcon m2300, m2500, m2600, m3300, m3500, m3600 precision mortise russwin mortise sargent 7700, 8100, 9000 schlage l9000, k30, k40, k50, k60 yale 7030, 7130, 8600, 8700 wiring ac ac with buzzer dc with buzzer optional ds (fse shown) dc cylindrical lockset compatibility1, 3 A mainstay in public buildings for decades von duprin's safety products are known for their unparalleled quality and performance. Reference the 914 installation instructions.
The 6200 series is designed to withstand abuse. Where are allegion wiring and. Von duprin division allegion 2720 tobey drive indianapolis, in 46219 phone:
Otherwise, refer to figures 2 and 3 and table 1 in “typical wiring”and mark the components you use in table 1. 4582 for 7500 lock wiring diagram: The 6211 would be the most common electric strike to be used with cylindrical locks on a single door application.
Bulk price rates are available! Von duprin electric strikes are known for their reliability, durability and security. 4670 monitor strike wiring diagram:
Von duprin cannot guarantee compatibility as other manufacturer’s designs may change without notice) downloads. 1 4 11 32 8 3 8 max. Von duprin ® is a door hardware brand within the allegion group of companies.
6211, electric, strike, von duprin, vd, install, instructions Refer to wiring information in product instructions. 3 3 4 3 4 3 8 21 32 9 1 16 from outside face of door 7 8 5 8 for frame 7 3 4 5 8 for door *all dimensions are typical 1 4 1 5 8 1 5 8 reinforcement.060 (16 ga.) minimum of ept in frame must align with of ept in door.
Von duprin 6211 6211ds electric strike single door mortise or cylindrical application installation instructions (switches on 6211ds only.) 4. 6211al electric strike for use on new installations with mortise locks without deadboltor cylindrical locks on single door, aluminum frame
From innovative exit devices to electronic access control solutions and accessories, von duprin never compromises when security is at stake. 6211 electric strike for use on new installations with mortise locks without deadbolt or cylindrical locks on single door, hollow metal frame applications. In fact, an independent study of more than 100 commercial facilities across.
The 6200 series models are compatible with schlage, von duprin and falcon cylindrical and mortise locksets, as well as many other manufacturers' products. For lock or device preparation, see their directions. 12vdc or 24vdc power supply.
6211 wf electric strike wood door template: 12 or 24vac can be converted to 12/24vdc using von duprin so12 o. Von duprin exit devices are available in two external surface styles, designated 98 and 99 series.

Von Duprin Corridor Traffic Control Application Illustration And Wiring Diagram 110131

Von Duprin 6200 Series 6212WF 24VDC Fail Secure Grade 1 Electric Strike For Mortise Lock Device

Von Duprin 6200 Series 6211 12VDC Fail Secure Grade 1 Electric Strike For Mortise Lock Device

Von Duprin 6211 12V US32D Electric Strike Barzel Lock

Von Duprin Chexit Wiring Instructions 2016 New Chexitwiringinstructions2016
fail secure » Door Hardware Genius

Von Duprin 6211 Template Master of Documents

Von Duprin 6210 Door locks Installation instructions PDF View/Download

Von Duprin 6200 Series 6214 24VDC Fail Secure Grade 1 Electric Strike For Mortise Lock Device

Von Duprin 98/99 Series Relcross Door Controls

VON DUPRIN 968716 US10 6211/6211WF Faceplate

Von Duprin 6211 Electric Strike for Mortise or Cylindrical Devices UHS Hardware

How to Coordinate Automatic Doors With Locking Devices Dengarden
Von Duprin 6200 Series 6213 12VDC Fail Secure Grade 1 Electric Strike For Mortise Lock Device

Von Duprin 6200 Series 6211 24VDC Fail Safe Grade 1 Electric Strike For Mortise Lock Device

Electric strike with Arduino circuitry? Electrical Engineering Stack Exchange

Von Duprin 941042 00_f 33/35/98/99 ALK Kit 107710

Von Duprin 23970734_g 98/9949 Metal Door Installation Instructions 105677

How to Coordinate Automatic Doors With Locking Devices Dengarden