1966 Mustang Color Wiring Diagram
1972 ford mustang color wiring diagram. Laminated for ease of use.

Mustang Wire Diagram Large 1966 Scott Drake Automotive
1966 mustang wiring diagram 1966 mustang wiring diagram $8.95.
1966 mustang color wiring diagram. Complete basic car included (engine bay, interior and exterior lights, under dash harness, starter and ignition circuits, instrumentation, etc) original factory wire colors including tracers when applicable. If legal, mechanical, electrical, or other expert assistance is required, the services of a competent professional should be sought. Pink wire connect to red/grn at ignition switch or to black wire on rally pack tach.
On each page of the book a different wiring harness is enlarged showing every wire in the harness. Trying to find information regarding 1972 camaro wiring diagram autozone repairinfo? I am looking for 1966 mustang wiring diagrams for my mustang.
All diagrams use factory colors including tracers when applicable. Training was conducted by using a slide show projector the printed course material in this case vol 68 s7 l2a and. Diagram size 11 x 17 18 x 24.
This is an electronic reproduction of the original ford printed manual. All products are produced in adobe reader (pdf) format to retain the. Laminated color 1966 mustang wiring diagram.
1966 mustang instrument panel instrument cluster connections, wiper switch, headlamp switch, ignition switch and lighter 1966 mustang ignition, starting and charging alternator, regulator, solenoid, starter, distributor, plugs, ammeter and starter neutral switch 1966 mustang exterior lighting, turn signals and. Or blue is 42 & 56 on the same diagram & 44 on a different diagram? If you would the arm rests, sunvisors or any other kit component in another color, click the customize kit button to select the colors you would like.
My car is an ac equipped car so my console obviously doesn't have the storage compartment. 1966 ford mustang color wiring diagram. The following 1966 jpg files provided courtesy of.
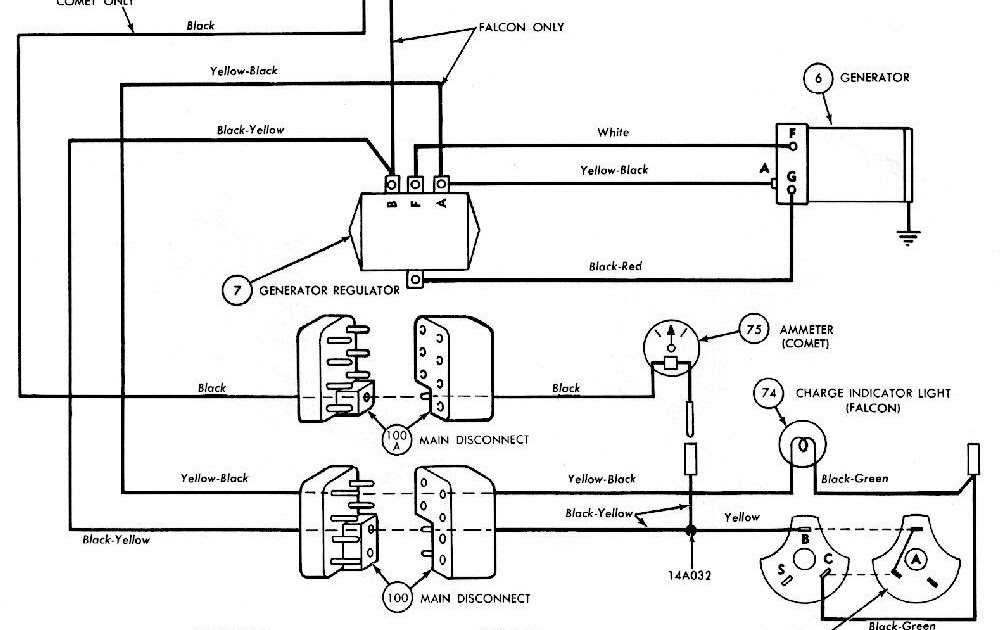
Below is the electrical accessories schematic for 1966 mustang. 1966 chevy c10 wiring diagram. A green w/ yellow wire with green connector which shoes on the diagram going to the storage compartment part of the console.
The care and feeding of ponies mustang fuse box 1965 1966. 1966 mustang voltage regulator wiring diagram. Restoration parts source | 23966 clawiter road, hayward ca 94545 phone:
1966 mustang wiring diagrams as a replacement harness is $510 and 3000 miles away i need to be sure about my connections. 5 thoughts on “ 1966 mustang wiring diagrams ” admin says: Thx for the link peter.
All diagrams include the complete basic car (interior and exterior lights, engine bay, starter, ignition and charging systems, gauges, under dash harness, rear clip, etc). Interior and exterior lights, engine & engine compartment, firewall, under dash, instrumentation, etc. We have laminated wiring diagrams in full color for 30's 40's 50's 60's & 70's american cars and trucks (and some imports).
The voltage is the sum of electrical power produced. Diy mustang fans rejoice because we have found a bunch of important electrical drawings and schematics for the 1966 mustang. Left front door courtesy light & switch right front door courtesy light &
These diagrams will help get the car back on the road! Large size, clear text, easy to read. For example why is red numbered 63, 123, 648,655 on different diagrams?
If legal, mechanical, electrical, or other expert assistance isrequired, theservices ofa competent professional should be sought. The 3rd wire is black w/ no stripe and it is. The 1966 colorized mustang wiring diagrams manual contains a complete.
A black w/blue and a blue connector which on the wiring diagram goes to the courtesy light. 1968 ford mustang color wiring diagram. 1966 ford mustang wiring diagram manual reprint dec 31, 2020 posted by richard scarry media publishing text id 64796900 online pdf ebook epub library good.
Chevrolet > 1966 > c10 pickup > 5.3l 327cid v8 > literature > wiring diagrams. * diagram covers the complete basic car including: 1966 ford mustang color wiring diagram.
Tail light harness, blk to tail light, blk/red to. The schematic measures 8.5 x 11 and has 8 pages, and is in brand new condition. Visit our new website for the latest in gauge design and updates to our installation manual a wiring diagram is a simplified standard pictorial depiction of an electric circuit.
1968 mustang ignition wiring diagram. I have the original diagrams from the shop manual and was wondering if anyone knows the protocol for the wiring color code? This jim osborn reproductions wiring diagram manual is in black and white.
1967 mustang wiring to tachometer 1968mustang wiring diagram for ignition: March 27, 2014 at 10:48 am. All diagrams are laminated in plastic for ease of use and durability.
Mustang 6 cylinder engine gauge feed to firewall wiring harness 1966 installation instructions. Thank you very much, you help me alot in your wiring & color code in my 1966 mustang (thanks again) alex leon — january 3, 2014 9:10 pm. There electrical drawings for 1966 mustang may not be pretty but that are extremely useful.
Diagram 1984 ford mustang starter solenoid wiring full version hd quality 41365 accnet fr. 1966 dash wiring orientation and colors.
1966 Mustang Wiring Diagrams Average Joe Restoration
1966 Mustang Wiring Diagrams Average Joe Restoration

Scott Wiring Diagram Free Download Schematic Complete Wiring Schemas

The Care and Feeding of Ponies 1966 Mustang wiring diagrams
1966 Mustang Radio Wiring Worksheets and Wiring Diagram Database
1966 Ford Mustang Colorized Wiring Diagrams CDROM
1966 Mustang Wiring Diagrams Average Joe Restoration

1966 Colorized Mustang Wiring Diagrams
1966 Ford Mustang Color Wiring Diagram1966MUSTANG
1966 Mustang Wiring Diagrams Average Joe Restoration

1966 66 Ford Mustang Full Color Laminated Wiring Diagram 11" X 17" eBay

Courtesy Light Wiring Diagram For 1966 Mustang Wiring Library

1966 Mustang Wiring Ford Mustang Forum

Ford Mustang 1966 COLOR Wiring Diagram 11 x 17 eBay
1966 Mustang Wiring Diagrams Average Joe Restoration
1966 Mustang Wiring Diagrams Average Joe Restoration
1966 Mustang Wiring Diagrams Average Joe Restoration

V Manual 1966 Ford Mustang Accessories Electrical Wiring Diagrams